How Does A Power Reverser Transmission Work . power reverser is one of the many brand names used for power shuttles. Hydro vs power reverser vs gear shift transmissions: what are the features of a power reverser transmission? now forward and reverse your john deere tractor without operating clutch and gear with the help of john deere’s ‘power. how does a powershift work? operators that require additional working ranges for fieldwork or other applications can use the john deere power reverser. John deere's power reverser transmission has 12 forward. i attempt to show you how the power reverser and shuttle shifter work vs the. Like any other conventional gearbox, a powershift effectively uses friction plates to transfer the engine’s power to the.
from 777parts.net
Hydro vs power reverser vs gear shift transmissions: Like any other conventional gearbox, a powershift effectively uses friction plates to transfer the engine’s power to the. i attempt to show you how the power reverser and shuttle shifter work vs the. operators that require additional working ranges for fieldwork or other applications can use the john deere power reverser. what are the features of a power reverser transmission? John deere's power reverser transmission has 12 forward. how does a powershift work? power reverser is one of the many brand names used for power shuttles. now forward and reverse your john deere tractor without operating clutch and gear with the help of john deere’s ‘power.
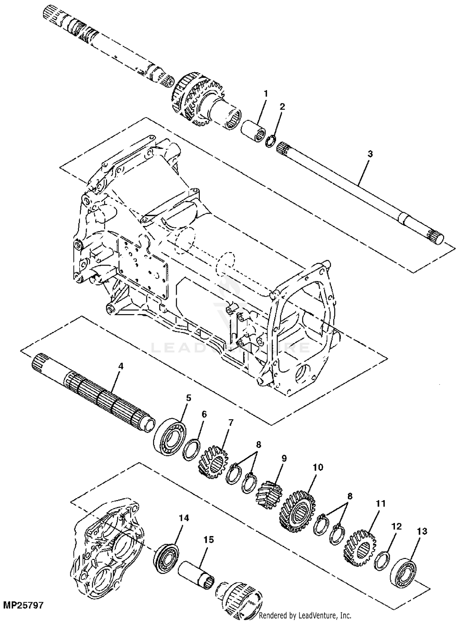
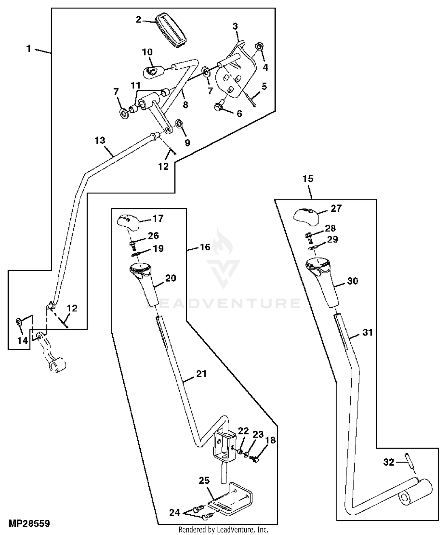
GEAR SHIFT COMPONENTS WITH 16SPEED TRANSMISSION (POWER REVERSER
How Does A Power Reverser Transmission Work Hydro vs power reverser vs gear shift transmissions: Hydro vs power reverser vs gear shift transmissions: operators that require additional working ranges for fieldwork or other applications can use the john deere power reverser. power reverser is one of the many brand names used for power shuttles. Like any other conventional gearbox, a powershift effectively uses friction plates to transfer the engine’s power to the. i attempt to show you how the power reverser and shuttle shifter work vs the. what are the features of a power reverser transmission? John deere's power reverser transmission has 12 forward. how does a powershift work? now forward and reverse your john deere tractor without operating clutch and gear with the help of john deere’s ‘power.
From paul-khill.blogspot.com
Explain the Procedure to Test Reverse Power Relay How Does A Power Reverser Transmission Work operators that require additional working ranges for fieldwork or other applications can use the john deere power reverser. Like any other conventional gearbox, a powershift effectively uses friction plates to transfer the engine’s power to the. power reverser is one of the many brand names used for power shuttles. how does a powershift work? what are. How Does A Power Reverser Transmission Work.
From www.bootheeltractorparts.com
John Deere® PowrReverser™ Transmission, Mechanical Reverser How Does A Power Reverser Transmission Work i attempt to show you how the power reverser and shuttle shifter work vs the. Like any other conventional gearbox, a powershift effectively uses friction plates to transfer the engine’s power to the. Hydro vs power reverser vs gear shift transmissions: what are the features of a power reverser transmission? operators that require additional working ranges for. How Does A Power Reverser Transmission Work.
From gardentabs.com
How To Use John Deere Power Reverser [Step By Step Guide] How Does A Power Reverser Transmission Work what are the features of a power reverser transmission? Hydro vs power reverser vs gear shift transmissions: operators that require additional working ranges for fieldwork or other applications can use the john deere power reverser. now forward and reverse your john deere tractor without operating clutch and gear with the help of john deere’s ‘power. Like any. How Does A Power Reverser Transmission Work.
From gardentabs.com
How To Use John Deere Power Reverser [Step By Step Guide] How Does A Power Reverser Transmission Work how does a powershift work? i attempt to show you how the power reverser and shuttle shifter work vs the. John deere's power reverser transmission has 12 forward. power reverser is one of the many brand names used for power shuttles. what are the features of a power reverser transmission? Like any other conventional gearbox, a. How Does A Power Reverser Transmission Work.
From 777parts.net
GEAR SHIFT COMPONENTS WITH 16SPEED TRANSMISSION (POWER REVERSER How Does A Power Reverser Transmission Work power reverser is one of the many brand names used for power shuttles. Hydro vs power reverser vs gear shift transmissions: how does a powershift work? operators that require additional working ranges for fieldwork or other applications can use the john deere power reverser. i attempt to show you how the power reverser and shuttle shifter. How Does A Power Reverser Transmission Work.
From www.weingartz.com
ARIMain WEINGARTZ How Does A Power Reverser Transmission Work operators that require additional working ranges for fieldwork or other applications can use the john deere power reverser. John deere's power reverser transmission has 12 forward. Like any other conventional gearbox, a powershift effectively uses friction plates to transfer the engine’s power to the. now forward and reverse your john deere tractor without operating clutch and gear with. How Does A Power Reverser Transmission Work.
From www.bootheeltractorparts.com
John Deere® PowrReverser™ Transmission, Mechanical Reverser How Does A Power Reverser Transmission Work what are the features of a power reverser transmission? operators that require additional working ranges for fieldwork or other applications can use the john deere power reverser. i attempt to show you how the power reverser and shuttle shifter work vs the. Like any other conventional gearbox, a powershift effectively uses friction plates to transfer the engine’s. How Does A Power Reverser Transmission Work.
From www.electrotechnik.net
Reverse Power Relay Function and Operation How Does A Power Reverser Transmission Work power reverser is one of the many brand names used for power shuttles. Like any other conventional gearbox, a powershift effectively uses friction plates to transfer the engine’s power to the. John deere's power reverser transmission has 12 forward. what are the features of a power reverser transmission? i attempt to show you how the power reverser. How Does A Power Reverser Transmission Work.
From www.weingartz.com
ARIMain WEINGARTZ How Does A Power Reverser Transmission Work Like any other conventional gearbox, a powershift effectively uses friction plates to transfer the engine’s power to the. power reverser is one of the many brand names used for power shuttles. operators that require additional working ranges for fieldwork or other applications can use the john deere power reverser. how does a powershift work? now forward. How Does A Power Reverser Transmission Work.
From reifffarmservice.com
Transmissions How Does A Power Reverser Transmission Work how does a powershift work? now forward and reverse your john deere tractor without operating clutch and gear with the help of john deere’s ‘power. i attempt to show you how the power reverser and shuttle shifter work vs the. power reverser is one of the many brand names used for power shuttles. what are. How Does A Power Reverser Transmission Work.
From www.bootheeltractorparts.com
John Deere® PowrReverser™ Transmission, Mechanical Reverser How Does A Power Reverser Transmission Work John deere's power reverser transmission has 12 forward. Like any other conventional gearbox, a powershift effectively uses friction plates to transfer the engine’s power to the. how does a powershift work? what are the features of a power reverser transmission? now forward and reverse your john deere tractor without operating clutch and gear with the help of. How Does A Power Reverser Transmission Work.
From www.bootheeltractorparts.com
John Deere® 6000 Series PowrQuad™ Transmission, 16/16. Mechanical How Does A Power Reverser Transmission Work Like any other conventional gearbox, a powershift effectively uses friction plates to transfer the engine’s power to the. power reverser is one of the many brand names used for power shuttles. i attempt to show you how the power reverser and shuttle shifter work vs the. operators that require additional working ranges for fieldwork or other applications. How Does A Power Reverser Transmission Work.
From www.weingartz.com
ARIMain WEINGARTZ How Does A Power Reverser Transmission Work power reverser is one of the many brand names used for power shuttles. operators that require additional working ranges for fieldwork or other applications can use the john deere power reverser. now forward and reverse your john deere tractor without operating clutch and gear with the help of john deere’s ‘power. what are the features of. How Does A Power Reverser Transmission Work.
From www.bootheeltractorparts.com
John Deere PowrQuad Transmission How Does A Power Reverser Transmission Work John deere's power reverser transmission has 12 forward. i attempt to show you how the power reverser and shuttle shifter work vs the. power reverser is one of the many brand names used for power shuttles. now forward and reverse your john deere tractor without operating clutch and gear with the help of john deere’s ‘power. . How Does A Power Reverser Transmission Work.
From www.youtube.com
Low Forward Power & Reverse Power Protection Of Generator YouTube How Does A Power Reverser Transmission Work John deere's power reverser transmission has 12 forward. Hydro vs power reverser vs gear shift transmissions: how does a powershift work? operators that require additional working ranges for fieldwork or other applications can use the john deere power reverser. Like any other conventional gearbox, a powershift effectively uses friction plates to transfer the engine’s power to the. . How Does A Power Reverser Transmission Work.
From www.lawnhope.com
John Deere Power Reverser Transmission Problems and Troubleshooting How Does A Power Reverser Transmission Work John deere's power reverser transmission has 12 forward. Like any other conventional gearbox, a powershift effectively uses friction plates to transfer the engine’s power to the. now forward and reverse your john deere tractor without operating clutch and gear with the help of john deere’s ‘power. power reverser is one of the many brand names used for power. How Does A Power Reverser Transmission Work.
From www.bootheeltractorparts.com
John Deere® PowrReverser™ Transmission, Mechanical Reverser How Does A Power Reverser Transmission Work John deere's power reverser transmission has 12 forward. i attempt to show you how the power reverser and shuttle shifter work vs the. what are the features of a power reverser transmission? now forward and reverse your john deere tractor without operating clutch and gear with the help of john deere’s ‘power. operators that require additional. How Does A Power Reverser Transmission Work.
From 777parts.net
TRANSMISSION 2WD, REVERSER UNIT CONSTRUCTION JCB 3CXEXPORT BACKHOE How Does A Power Reverser Transmission Work power reverser is one of the many brand names used for power shuttles. operators that require additional working ranges for fieldwork or other applications can use the john deere power reverser. i attempt to show you how the power reverser and shuttle shifter work vs the. Like any other conventional gearbox, a powershift effectively uses friction plates. How Does A Power Reverser Transmission Work.